搜索
首页
关于我们
信息公开
返回
企业新闻
企业公告
返回
产品中心
返回
选用指南
低频连接器
返回
射频连接器及组件
电子仪器
电缆网
特种及开关
返回
下载中心
返回
电子样本
技术资料
人才招聘
联系我们
首页
关于我们
信息公开
返回
企业新闻
企业公告
返回
产品中心
返回
选用指南
低频连接器
返回
射频连接器及组件
电子仪器
电缆网
特种及开关
返回
下载中心
返回
电子样本
技术资料
人才招聘
联系我们
特种开关选用指南
产品中心
>
选用指南
>
特种开关选用指南
特种开关选用指南
1
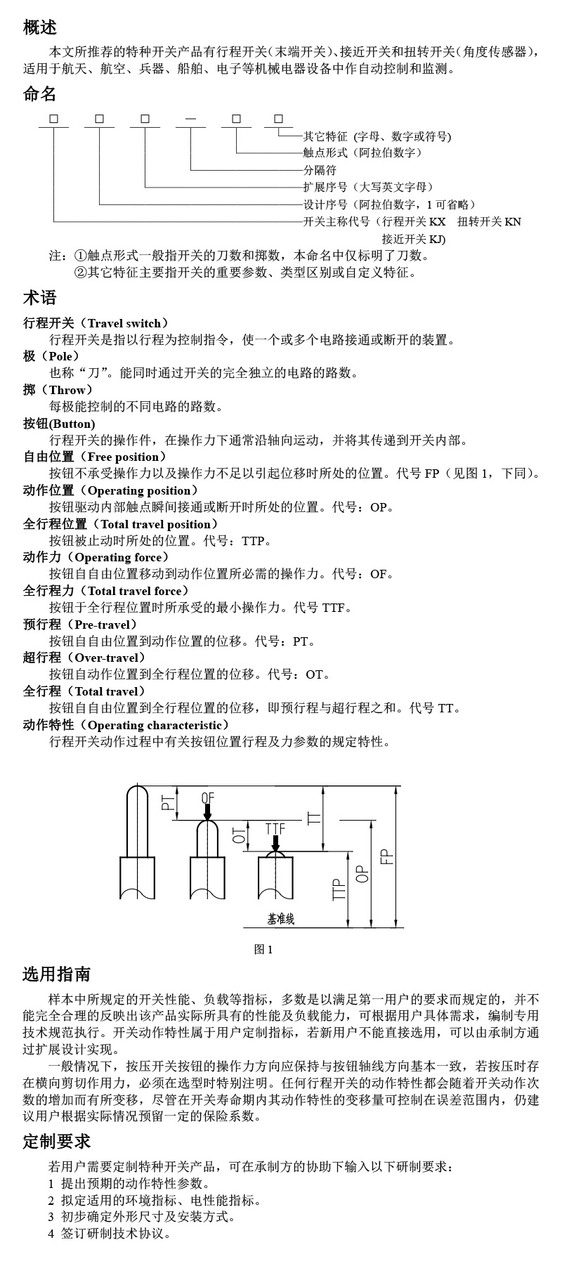
产品详细
文件下载
特种开关选用指南.pdf
点击下载
在线浏览
上一个:
CX-1系列单芯针孔电连接器
下一个:
SATS-01智能水平显示设备
返回